Guntamatic PRO Flex = král mezi kotli na biomasu
14.05.2013 | Libor Směja, ESEL TECHNOLOGIES s.r.o. | Pohled podnikatelů | Typ AK: kotel Guntamatic PRO | Téma: Kotle Guntamatic
V tomto článku bych rád napsal více o kotli Guntamatic PRO, ve verzi Flex, se kterým jsem vás seznámil nedávno. Označení Flex znamená, že se jedná o kotel na pelety s vestavěnou pneumatickou dopravou paliva, která zajišťuje dopravu paliva (pelet) z celoročního skladu paliva do kotle. Kotel Guntamatic PRO se dodává i ve verzi na štěpku, ale té se bude věnovat jiný článek.
Kotel PRO je určen jednak pro vytápění větších objektů jako jsou školy, hotely, radnice apod., ale i pro malé systémy centrálního zásobování teplem v obcích a malých městech. V současnosti se jedná o nejdokonalejší peletový kotel na trhu, určený k tomuto účelu. Že při jeho vývoji nebylo nic podceněno naznačuje i 15 000 hodin, které bylo potřeba vynaložit na jeho vývoj. Jeho uvedení na trh bylo 2x odloženo, aby bylo splněna podmínka firmy Guntamatic - musí se jednat o zařízení, které nebude mít na současném trhu automatických peletových kotlů vyšších výkonů žádnou konkurenci.
Kotel PRO je konstruován jako plně automatický a vyžaduje jen občasný dohled cca 1x za 72-168 hodin. Výhodou tohoto kotle je, že se jedná o sériové provedení, které vám dokážeme kdykoli v průběhu roku dodat za 4 týdny od objednání a je jedno zda objednáte verzi 175 kW nebo 1000 kW. Velké kotle ostatních výrobců jsou zpravidla vyráběny na míru, což vyžaduje mnohem více času na přípravu i na samotnou výrobu a je příčinou růstu nákladů. Pokud znáte požadovaný výkon, výroba kotle PRO postupuje podle standardních výrobních postupů a používají se standardní konstrukční díly. Montáž sériového kotle je mnohem jednodušší a může ji provádět i místní topenářská firma.
Kotel PRO se vyrábí v 9 velikostech dle max. jmenovitého výkonu.
Označení jednotlivých výkonových verzí je:
- PRO 175 (výkon od 0* do 188 kW) - 1 modul
- PRO 250 (výkon od 0* do 250 kW) - 1 modul
- Set PRO 350 (výkon od 0* do 387 kW) - 2 moduly
- Set PRO 425 (výkon od 0* do 438 kW) - 2 moduly
- Set PRO 500 (výkon od 0* do 500 kW) - 2 moduly
- Set PRO 600 (výkon od 0* do 600 kW) - 3 moduly
- Set PRO 750 (výkon od 0* do 750 kW) - 3 moduly
- Set PRO 850 (výkon od 0* do 876 kW) - 4 moduly
- Set PRO 1000 (výkon od 0* do 1000 kW) - 4 moduly
* minimální výkon 0 kW je umožněn použitím akumulačních nádrží, které jsou u tohoto kotle nezbytné
Modulová konstrukce umožňuje maximální provozní bezpečnost. Moduly jsou na sobě provozně nezávislé a díky tomu při poruše některého z modulů přejímá jeho funkci další modul v řadě. To vás chrání před úplným výpadkem tam, kde by mohl způsobit velké škody, případně usnadňuje a zlevňuje zálohování výkonu.
Technické údaje kotle PRO:
I když se jedná na první pohled o obrovské zařízení, dá se kotel transportovat do kotelny dveřmi, které mají šířku jen 90 cm a výšku 200 cm. Ještě zajímavější je pak samotný prostor, který na kotel potřebujete. U verze do 250 kW je to 270 x 300 cm. U verze do 500 kW je to 540 x 300 cm. Díky této skutečnosti se kotel vejde v podstatě do každé stávající kotelny, ale i úprava jiných prostor je většinou reálná a jediné, co vás může omezovat, je prostor pro sklady paliva a pro umístění dostatečně velké akumulační nádrže.
Sklad paliva by měl být v objektu umístěn tak, aby cisterna, která přiváží palivo a plní jej do skladu přijela ke skladu paliva na vzdálenost maximálně 30-40 metrů. Samotné sklady mohou být v budově umístěny ve vzdálenosti 25 metrů od kotle a nemusí být nutně ve stejné výšce jako je kotelna. Při sečtení těchto hodnot vychází, že kotelna s kotlem PRO může být vzdálena až 65 metrů od místa, kam přijede cisterna s palivem. Každý modul kotle PRO se dodává se dvěma šnekovými dopravníky potřebné délky, které mohou být instalovány v jednom širokém, nebo ve dvou užších skladech. Sklad paliva je místnost, do které se instaluje šnekový dopravník(y), (maximální délka dopravníku je 5 metrů - určeno pro sklad délky cca 6 metrů). Šířka skladu s jedním šnekovým dopravníkem by neměla překročit 3,5 metrů a výšku 2,5-3 metru (sypná výška pelet by neměla být více než 2,5 metru). Platí zásada, že čím užší je sklad, tím menší je ztráta prostoru pod šikmým ostěním. Jak se takový sklad staví, si můžete přečíst v článku zde. Sklad (sklady) musí být suchý a bez elektroinstalace a při možnosti uskladnění 30 a více tun
pelet musí být osazen automatickým nuceným větráním s vazbou na detektor CO. Pokud máte problém s občasnou vlhkostí stěn, dá se to vyřešit předstěnou (bedněním) z OSB desek, které zabrání vniknutí vlhkosti do paliva. Velikost skladu před realizací kotelny dobře zvažte, neboť nedostatečná kapacita skladu snižuje komfort a může mít vliv i na cenu dopravy pelet. Minimální velikost by měla být 20 tun (cisterna)+ rezerva (nejméně na jeden týden provozu) = 24 – 30 tun (podle výkonu). Jakou budete mít roční spotřebu si vypočítáte na základě jednoduché rovnice: 1 kW tepelné ztráty domu = spotřeba 360 - 450 kg pelet za rok.
Objekt z tepelnou ztrátou 200 kW, potřebuje roční zásobu 72 až 90 tun pelet.
Každý sklad musí mít osazena plnící hrdla na která se cisterna připojí a naplní zásobník. U skladů o celkové šířce do 4,5 metrů potřebujete 3 plnící hrdla, u skladu do 5,5 metrů potřebujete 4 plnící hrdla a u skladu o šířce nad 5,5 metru budete potřebovat 5 plnících hrdel. Díky dostatečnému množství plnících hrdel dokáže cisterna nafoukat pelety do všech prostor skladu a využít maximálně celý prostor jak na výšku, tak i na šířku. Pokud sklady nesousedí přímo s kotelnou, ale dělí je nějaké jiné prostory, nesmí se zapomenout, že sací hadice musí být opatřeny protipožárními manžetami. Kotel si sám řídí z kterého skladu bude palivo nasávat pomocí výhybky. V případě že dojde palivo v jednom skladu, automaticky začne nasávat palivo z druhého skladu, bez nutnosti zásahu obsluhy kotle.
Samotný kotel PRO je velmi kompaktní řešení, kterého čím méně si budete všímat, tím lépe bude pracovat, protože si načítá a následně vyhodnocuje a optimalizuje provoz. Kotel PRO si umí nasát palivo, dopravit ho na pohyblivý kaskádový rošt (mnozí z vás znají unikátní vlastnosti kaskádových roštů z průmyslových kotlů vysokých výkonů), zapálit ho, spálit ho a vyvinout z něj maximální množství tepelné energie při vynikajících emisních hodnotách, tuto energii předat prostřednictvím výměníku do topného systému a popel uklidit do popelnice. Vy pouze nastavíte požadované teploty jednotlivých vytápěných prostor a staráte se o to, aby ve skladech paliva byly pelety a popelnice s popelem nebyly plné.
Kaskádový rošt tvoří dno spalovací komory. Jeho úkolem je dopravit palivo do ohniště a po spálení paliva přepravit popel k popelníku. Je tvořen jednotlivými litinovými segmenty, v kterých jsou drážky, které zajišťují přívod primárního vzduchu do ohniště. Jednotlivé segmenty také zajišťují čištění drážek přívodu primárního vzduchu. Velikost ohniště je nastavitelná podle potřeby a díky tomu jsou pelety optimálně spalovány v každém okamžiku ekologicky a hlavně ekonomicky. Díky použití kaskádového roštu nedochází ke vzniku spékanců i při použití ne úplně kvalitního paliva. Palivo je zapáleno vždy automaticky pomocí horkovzdušné pistole a následně je zplyňováno pomocí přívodu přesného množství primárního vzduchu do ohniště. Množství vzduchu a množství dopravovaného paliva do kotle optimalizuje lambda sonda, která je umístěna na výstupu spalin z kotle a analyzuje kvalitu spalin a zároveň kontroluje, zda z kotle neodchází nespálené plyny. Nad ohništěm je umístěna dlouhá dohořívací zóna, která zajišťuje dostatečně dlouhou dobu zdržení plynů a jejich spálení při teplotě 1300*C , využití této teploty na tepelnou energii a její předání topnému systému. Díky tomu, že pro odběr tepla ze spalin disponuje kotel dokonalým výměníkem, je teplota spalin na výstupu z kotle maximálně 190*C.
Výměník tepla je svislý a je tvořen trubkovnicí s wirbulátory, které slouží jednak ke zpomalení průchodu spalin, ale také k čištění povrchu trubek trubkovnice. Wirbulátory se při čištění pohybují nahoru a dolu a tím brání tvorbě usazenin, které by snižovaly účinnost předání tepla ze spalin do topné vody. Tím že je celý proces čištění automatický, může kotel PRO pracovat
dlouho bez potřeby údržbových a čistících prací. Všechny důležité zóny, které ovlivňují kvalitu spalování a předání tepla do topné vody jsou čištěny automaticky a nezávisle na lidském faktoru. Vysoká účinnost minimálně 94% u spalovacího procesu kotle PRO zajišťuje maximální hospodárnost a šetří vaše náklady na vytápění.
Při použití kotle do 250 kW není potřeba mít ke kotli ani automatické odpopelňování, které je volitelným příslušenstvím. To doporučujeme až od použití kotle Set PRO 350 a u větších výkonu je to již samozřejmostí. Automatické odpopelňování slouží k odsávaní popela z pod prostoru roštu spalovací komory a z prostoru pod tepelným výměníkem. Součástí automatického odpopelnění je jednak popelnice, která pojme max. 240 litrů popela, ale i separační nádoba na mechanické nečistoty obsažené v palivu, popř. na spečence vytvořené ve spalovacím procesu, při použití ne úplně kvalitních pelet.
Požadavky na komín také nejsou neobvyklé. Komín by měl být šamotový, nebo keramický a vlhku odolný. Při modulování výkonu kotle je teplota spalin jen 110° C a proto může docházet ke kondenzaci v komíně. V případě kdy má komín výšku více než 6 metrů, postačuje vnitřní průměr komína 250 mm. Pokud je komín nižší než 6 metrů, musí být průměr komína 300 mm. Komínový tah musí být na hodnotě 10 Pa s tolerancí +3 Pa. Přesného tahu v komíně dosáhnete použitím jednoho nebo dvou regulátorů komínového tahu ESREKO II. Ex. s protiexplozivní klapkou, které ochrání váš komín před explozí a dokáží velmi přesně a jednoduše zregulovat tah v komíně na požadovanou výši. To se vám následně vrátí v ekonomickém provozu kotle při různých provozních stavech. Maximální teplota spalin v plném zatížení je u kotle PRO 175 180° C a u kotle PRO 250 190°C.
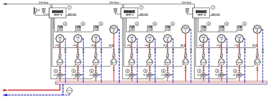
Co se týká samotné distribuce tepla ke spotřebičům, lze využít stávající rozvody s čerpadly a na ně aplikovat nový řídící systém, který je součástí kotle. V případě, že již kvalitní řídicí systém máte, využijeme stávající.
Příklady zapojení kotle PRO do topného systému:

Ekonomika návratnosti:
Podle údajů, které uvádí pro rok 2013 Energostat, se cena dodávek tepla z hnědého a černého uhlí pohybuje od 400 do 650 Kč/GJ a plynové teplárny dodávají teplo za 600 až 800 Kč/GJ. Průměrná cena tepla v roce 2013 je podle tohoto zdroje 594 Kč/GJ. Cenu nižší než 535 Kč/GJ ovšem z uváděné tabulky mají pouze 3 z 31 lokalit. I když nebudeme odhadovat vývoj cen uhlí, daňového zatížení uhlí, ceny emisních povolenek, prolomení či neprolomení těžebních limitů ani dopad evropské legislativy na spalování hnědého uhlí a budeme vycházet ze současných cen, můžeme si snadno vypočítat návratnost investice do vlastní kotelny s kotlem PRO. Je jasné, že návratnost se bude v různých městech výrazně lišit podle ceny tepla místního dodavatele a jednotlivé investice podle možnosti úpravy stávajících prostor či stavbě nové kotelny. Pro příklady použijeme model, kdy je k dispozici vhodný objekt pro úpravu na kotelnu a cenu 550 Kč za GJ z CZT, přičemž ve ¾ měst je cena vyšší, v jedné třetině překračuje 650 Kč /GJ.
V některých menších městech už si zvykli i na ceny v tabulce neuváděné - více než 900 Kč / GJ platí např. i obyvatelé sídliště v Kostelci nad Černými lesy, vedle kanceláří naši firmy.
Příklad č.1 - kotelna 500 kW na pelety s kotlem Guntamatic PRO
Investiční náklady na realizaci kotelny 500 kW (0,5MW) = 3.500.000 Kč
Kotelna vyrobí ročně 1.000.000 kWh neboli 3.610 GJ
Cena jednoho GJ ze stávajícího zdroje CZT = 550 Kč s DPH
Cena jednoho GJ ze zdroje s kotlem Guntamatic PRO (bez investičních nákladů na realizaci kotelny) = 305,-Kč bez DPH (350 Kč s DPH) - cena obsahuje náklady na palivo, jeho dopravu atd.
Rozdíl v ceně GJ je 200 Kč což je ročně úspora 722.000 Kč.
Při proinvestovaných 3.500.000 Kč je návratnost kotelny do 5 let.
(Snadno si dosaďte cenu, kterou platíte místnímu dodavateli. Je-li to např. 65O Kč/GJ, ušetříte u této kotelny (300 x 3610) - 1.083.000 Kč/rok)
Příklad č.2 - kotelna 750 kW na pelety s kotlem Guntamatic PRO
Investiční náklady na realizaci kotelny 750 kW (0,75MW) = 4.500.000 Kč
Kotelna vyrobí ročně 1.500.000 kWh neboli 5.415 GJ
Cena jednoho GJ ze stávajícího zdroje CZT = 550 Kč s DPH
Cena jednoho GJ ze zdroje s kotlem Guntamatic PRO (bez investičních nákladů na realizaci kotelny) = 305,-Kč bez DPH (350 Kč s DPH) - cena obsahuje náklady na palivo, jeho dopravu atd.
Rozdíl v ceně GJ je 200 Kč což je ročně úspora 1.083.000 Kč.
Při proinvestovaných 4.500.000 Kč je návratnost kotelny kolem 4 let.
Příklad č.3 - kotelna 1000 kW na pelety s kotlem Guntamatic PRO
Investiční náklady na realizaci kotelny 1000 kW (1MW) = 5.500.000 Kč
Kotelna vyrobí ročně 2.000.000 kWh neboli 7.220 GJ
Cena jednoho GJ ze stávajícího zdroje CZT = 550 Kč s DPH
Cena jednoho GJ ze zdroje s kotlem Guntamatic PRO (bez investičních nákladů na realizaci kotelny) = 305,-Kč bez DPH (350 Kč s DPH) - cena obsahuje náklady na palivo, jeho dopravu atd.
Rozdíl v ceně GJ je 200 Kč což je ročně úspora 1.444.000 Kč.
Při proinvestovaných 5.500.000 Kč je návratnost kotelny do 4 let.
Z těchto jednoduchých výpočtů je zřejmé, že alternativa vytápění peletami ve vlastní kotelně se u těchto výkonů vyplatí a v nejdražších lokalitách už to měli udělat dávno. Osobně považuji vlastnictví kotelny (např. společenstvím vlastníků apod.) za výhodnější, než odběr tepla z lokální kotelny, provozované komerčně nějakým investorem, pokud smlouva není skutečně oboustranně výhodná a to dlouhodobě, do předání funkčního a pečlivě udržovaného zařízení po x letech odběrateli.
Prospekt o kotli Guntamatic PRO je ke stažení zde.
Copyright© Libor Směja,
2013
Všechny články autora
|
Web autora |
Poslat článek e-mailem
|
Tisk
Napište i Vy článek do našeho magazínu! Stačí se jen zaregistrovat
Všechny ohlasy na tento článek
Vložte Váš OHLAS na tento článek
Další články na toto téma:
- Kotlíková dotace na kotelnu s kotlem Guntamatic Biosmart až 199.427,- Kč.
- Dny otevřených dveří v automatické kotelně v Týně nad Bečvou
- Dny otevřených dveří v kotelně Guntamatic a v Salonu kotlů.
- Návštěva kaskádové kotelny Guntamatic 2x100kW po 42 měsících provozu.
- Hybridní řešení Guntamatic - kotel na pelety + tepelné čerpadlo
Nejčtenější články:
Další články v této rubrice:
Copyright © Automatické vytápění, esel – 2008 | O magazínu | Webdesign: Loužecký.cz




